88858cc永利官网
0577-62888098
首页
关于88858cc永利官网
声誉资质
产品中心
DW16M-400-630 自动灭磁开关
DW15、DW16、DW17系列 万能式断路器
万能式断路器DW15系列
万能式断路器DW16 系列
冲压件系列
智能型万能式断路器DW45 系列
JLGL 系列隔脱离关
JLGLC 系列隔脱离关
JLGLCK 系列隔脱离关
JLGLZ1 系列转换隔脱离关
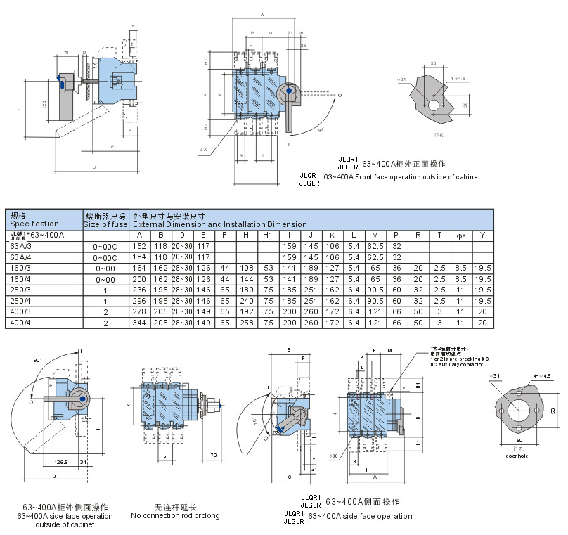
JLGLR 系列隔脱离关熔断器组
JLGLD 系列自动转换开关
新闻资讯
公司新闻
行业资讯
下载中心
联系88858cc永利官网
英文版
产品中心
Product Course
JLGLR-400A-3
产品图片
概述
产品详情
返回列表